Дом » Пользовательские решения » Рекомендуемый размер подключения

Рекомендуемый размер соединения - двигатель

SAE J617 Размеры соединения маховика (мм)
 
Тусклый
Тусклый
Dim Bnumber of Lick
Спецификация потока
SAE 0#
647.70
679.45
16
1/2-13
SAE 1#
511.17
530.22
12
7/16-14
SAE 2#
447.68
466.72
12
3/8-16
SAE 3#
409.57
428.62
12
3/8-16
SAE J617 Размеры соединения маховика (мм)
 
Смуть
Тусклый
Тусклый
Dim Bnumber of Lick
Спецификация потока
SAE 18
571.50 542.92 15.7
6
5/8-11
SAE 14
466.72 438.15 25.4
8
1/2-13
SAE 11.5
352.42 333.38 39.6
8
3/8-16
SAE 10
314.32 295.28 53.8
8
3/8-16

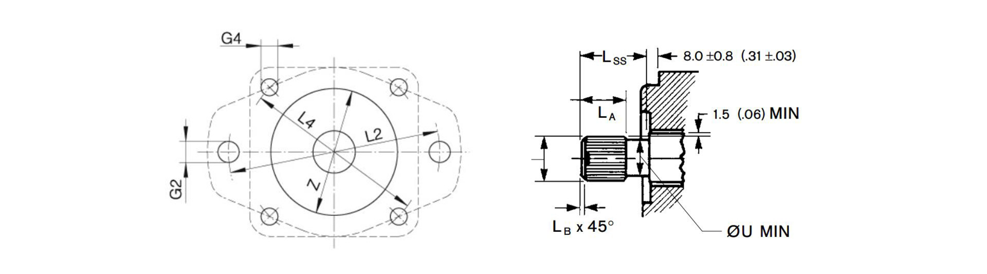
Рекомендуемый размер соединения - гидравлический насос

 
 
Тусклый Z.
L2
G2 L4 G4
Sae a
82.55 106.4 11.13
——
——
SAE б
101.6 146 14.27 127 14.27
Sae c
127 181 17.27 162 14.27
Sae d
152.4 228.6 20.62 228.6 20.62
Sae e 165.1 317.5 26.97 317.5 20.62
SAE J744 Гидравлический насос сплайновый размер соединения вала (мм)
Сплаженный вал
U Ла LSS1 ФУНТ
9t 20/40 dp 9.40 5.1
19
1.5
9t 16/32 DP 11.81 7.6 24 1.5
13t 16/32 DP 18.16 10.2 33 1.5
15t 16/32 DP 21.34 12.7 38 1.5
14t 12/24 DP 26.42 15.2 48 2.3
17t 12/24 DP 32.77 17.8 54 2.3
13T 8/16 DP 36.63 20.3 67 2.3

Если у вас есть какие -либо запросы, пожалуйста, свяжитесь с нами по электронной почте или телефону, и мы вернемся к вам как можно скорее.

Связаться с нами

Copyright © 2025 Hanhong Precision Machinery Manufacturing Все права защищены. | Sitemap