| штат: | |
|---|---|
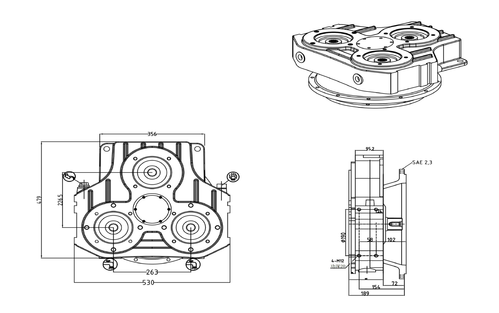
290 кВт Один входной трансфер с тремя выходами представляет собой высокопроизводительное гидравлическое решение, предназначенное для надежных применений в различных отраслях. Этот корпус передачи, разработанный в общей структуре литья, обеспечивает превосходную прочность и долговечность, что делает его идеальным для требовательной эксплуатационной среды.
| Таблица параметров перевода | |
| Входная мощность р | 280 кВт |
| Единый насос питание | 110 кВт |
| Максимальный крутящий момент для одного насоса t | 500 нм |
| Максимальная скорость ввода n | 2800 минут |
| Соотношение скорости | 0,7-1,4 |
| Приблизительный вес | 103 кг |
| Тип соединения | |
| Входное соединение необязательно | Дизельный двигатель/двигатель/гидравлический двигатель и т. Д. |
| Тип соединения необязательно | Эластичная связь/сцепление/вал кардана/прямое соединение и т. Д. |
| Выходное соединение необязательно | Гидравлический насос/воздушный компрессор/генератор и т. Д. |

Входная мощность: разработан для обработки входной мощности 290 кВт, обеспечивая достаточную мощность для тяжелых гидравлических операций.
Три выходных порта: оснащены тремя выходными соединениями, этот корпус передачи позволяет одновременно работать множественными гидравлическими насосами, повышая эффективность и универсальность.
Общая конструкция литья: интегральная конструкция литья обеспечивает повышенную прочность и стабильность, снижая риск отказа при высоких нагрузках и обеспечивая длительные производительности.
Долговечность: созданный для выдержания жестких условий труда, этот трансферный корпус построен из высококачественных материалов, обеспечивая надежную работу в требовательных средах.
Универсальное применение: подходящее для различных отраслей, включая строительство, сельское хозяйство и производство, где имеет решающее значение гидравлического распределения энергии.