| штат: | |
|---|---|
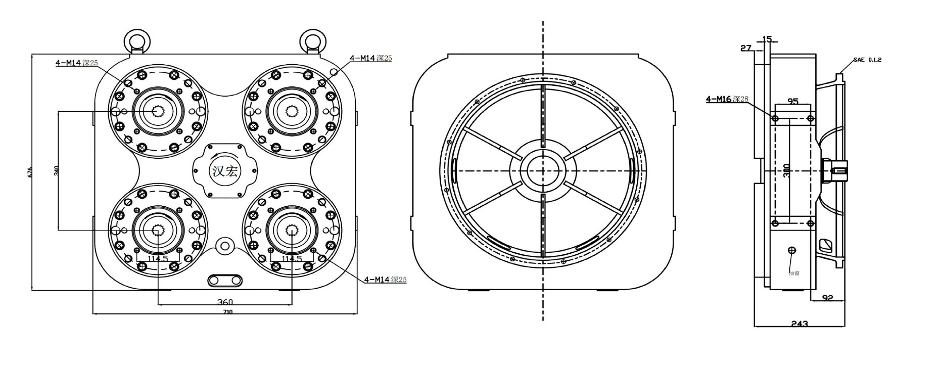
700 кВт один входной четверо выходов-это надежное гидравлическое решение с высокой емкостью, предназначенное для наиболее требовательных промышленных применений. Этот случай передачи эффективно распространяет мощность по нескольким гидравлическим системам, значительно повышая производительность и универсальность.
| Таблица параметров перевода | |
| Входная мощность р | 700 кВт |
| Единый насос питание | 330 кВт |
| Максимальный крутящий момент для одного насоса t | 1800 нм |
| Максимальная скорость ввода n | 2800 минут |
| Соотношение скорости | 0,7-1,4 |
| Приблизительный вес | 340 кг |
| Тип соединения | |
| Входное соединение необязательно | Дизельный двигатель/двигатель/гидравлический двигатель и т. Д. |
| Тип соединения необязательно | Эластичная связь/сцепление/вал кардана/прямое соединение и т. Д. |
| Выходное соединение необязательно | Гидравлический насос/воздушный компрессор/генератор и т. Д. |

Входная мощность: способна обрабатывать впечатляющую входную мощность 700 кВт, что делает ее подходящей для гидравлических задач и применений тяжелых условий.
Четыре выходных порта: разработаны с четырьмя выходными соединениями, что позволяет одновременно работать несколько гидравлических насосов или систем, что максимизирует эффективность и гибкость.
Прочная конструкция: изготовленная из высококачественных материалов, чтобы противостоять суровым условиям труда, обеспечивая длительную надежность и производительность.
Универсальное применение: подходит для различных отраслей промышленности, включая сельскохозяйственную машину, строительный механизм, нефтяной механизм, оборудование для добычи угля и военную технику, где эффективное распределение гидравлической энергии имеет решающее значение.
Оптимизированная производительность: спроектирован для стабильной и последовательной доставки питания, этот корпус передачи является важным компонентом для гидравлических систем, требующих высокой эффективности и надежности.